Logo www.aquapond.hu

Menü
HU

AQUAPOND - elfogadható árak, jelentős árengedmények 120.000 Ft feletti vásárlás esetén. Elég a kosárba helyezni a terméket és látható az árengedmény nagysága. Minél többet vásárol, annál nagyobb a árkedvezmény. Érdeklődjön a 0630 5246735-ös telefonszámon. Árak megegyezés szerint!



<<  71/117 >>

Transzparens szondatartó D 063


Transzparens szondatartó D 063

Leírás

A szondatartó bármilyen szonda vagy hőmérséklet-érzékelő beillesztésére szolgál a medencecsőbe anélkül, hogy a teljes technológiát szét kellene szerelni Bővebben
Termék kódja: 087406



Előnyös árak

Megbízható bolt

Gyors szállítás

20 éves tapasztalattal

Hűségprogram


  • Transzparens szondatartó D 063

    A szondatartó bármilyen szonda vagy hőmérséklet-érzékelő beillesztésére szolgál a medencecsőbe anélkül, hogy a teljes technológiát szét kellene szerelni.

    • Egyedi megoldás, modularitás és egyszerű telepítés
    • A menetes csatlakozások lehetővé teszik bármilyen szenzortartó rögzítését, annak napellenzőjét
    • Az érzékelők tökéletes elhelyezése és csatlakoztatása az SNS® segítségével
    • Több csatlakozási lehetőséget biztosít, könnyen szétszedhető
     

    Példa cella csőre történő telepítésére:


     



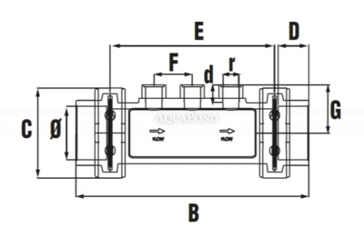
    Műszaki adatok

    • Termék típusa: Cell 3 szondához
    • Könnyű telepítés: Igen
    • Csatlakozás (int.): 63 mm
    • Bővítési lehetőség: Igen
    • Súly: 0,88 kg


     

    Termékkód Terméknév A B C D E F r d kg
    087406 Transzparens szondatartó D 063 272 125 36 192 45 57 1/2´´ 16 0,88
  • Ehhez a termékhez szüksége lehet a következőkre

    Sorrend Szám Kép Kód Termék neve db Ár
    1.
    9900106670
    -
    +

    7 815,00 HUF/db
    Kosárba
    Ár összesen: 7 815,00 HUF
    Összeset a kosárba rakom
  • Szállítás és fizetés

    A házhozszállításban a PACKETA ( több mint 2000 átvevőhely Magyarországon) és az EXPRES ONE futárszolgálatok a partnereink, akik az egész ország területére szállítanak.
    A fizetés lehetséges utánvétellel, online hitelkártyával, PAYPAL-on keresztül vagy banki átutalással. Telephelyünkön készpénzzel és bankkártyával is lehet fizetni.
    A házhozszállítás időpontjáról szívesen értesítjük az alábbi telefonszámokon: +36 30 524 67 35+421 915 696 394+421 905 500 955+421 907 545 479 vagy a megrendeles@aquapond.hu email címen.
    Részletes információk megtekinthetőek az  Általános szerződési feltételek menüpont alatt.

    Szállítási információ – hosszú áruk esetén
    Felhívjuk vásárlóink figyelmét, hogy futárszolgálatunk legfeljebb 1,1 m hosszúságú csomagokat szállít standard díjon. A 2 méteres vagy annál hosszabb termékek szállítására speciális kezelést igénylő fuvarszolgálatot kell igénybe vennünk, amelynek díja magasabb, mint a normál csomagküldésé. Ez a felár csak a 2 méteres (egyben küldött) termékekre vonatkozik. Az 1 méteres vagy rövidebb árukra a szokásos szállítási díjak érvényesek.

  • Kapcsolódó termékek


    VA szondatartó pH-szonda, ORP-szonda, áramláskapcsoló ...
    Termék kódja: S9900101N500

    Ár (bruttó): 14 035 Ft
    Elérhetőség: Küldés 24 órán belül
    36 további

    VA szondatartó pH-szonda, ORP-szonda, áramláskapcsoló ...
    Termék kódja: S9900101N500

    Ár (bruttó): 14 035 Ft
    Elérhetőség: Küldés 24 órán belül
    36 további
    Új

    Aseko Átlátszó szondatartó 4 x 1/4" jelentősen ...
    Termék kódja: AK13395

    Ár (bruttó): 18 700 Ft
    Elérhetőség: Küldés 24 órán belül
    36 további
    Új

    Aseko Átlátszó szondatartó 4 x 1/4" jelentősen ...
    Termék kódja: AK13395

    Ár (bruttó): 18 700 Ft
    Elérhetőség: Küldés 24 órán belül
    36 további

    A szondatartó bármilyen szonda vagy hőmérséklet-érzékelő ...
    Termék kódja: 087407

    Ár (bruttó): 19 800 Ft
    Elérhetőség: 5 napon belül
    36 további

    A szondatartó bármilyen szonda vagy hőmérséklet-érzékelő ...
    Termék kódja: 087408

    Ár (bruttó): 47 900 Ft
    Elérhetőség: 5 napon belül
    36 további


Termék megosztása
Facebook  Twitter  Google  LinkedIn  Pinterest  Email 

Megtekintett termékek


© Minden jog fenntartva - www.aquapond.hu
Webdesign

Cookie beállítások
Weboldalunk működéséhez elengedhetetlen sütiket használunk, amelyek lehetővé teszik a weboldal alapvető funkcióinak megvalósítását. Ezeket a sütiket internetböngészője beállításainak módosításával letilthatja, ami befolyásolhatja a weboldal működését. Nem létfontosságú cookie-kat is szeretnénk használni weboldalunk működésének javítása érdekében. Ha engedélyezni szeretné őket, kattintson a hozzájárulásra.
Személyes adatok védelme  |  Információk a cookie-król
Egyetértek Személyreszabás Elutasítom
<Vissza
Részletes cookie beállítások
Cookie-kat használunk az oldal alapvető funkcióinak biztosítása és a felhasználói élmény javítása érdekében. Az egyes kategóriákra vonatkozó hozzájárulását bármikor módosíthatja.
<Szükséges cookie-k (sütik)
 
A technikai sütik elengedhetetlenek weboldalunk megfelelő működéséhez. Ezeket elsősorban a termékek kosárban való tárolására, kedvenc termékeinek megjelenítésére, preferenciáinak és vásárlási folyamatának beállítására használják. A technikai cookie-k használatához nem szükséges az Ön hozzájárulása, de azokat jogos érdekünk alapján dolgozzuk fel. Beállíthatja böngészőjét úgy, hogy blokkolja az ilyen fájlokat, vagy értesítse Önt azokról. Ebben az esetben azonban előfordulhat, hogy weboldalunk egyes részei nem működnek megfelelően.
<Analitikai cookie-k
 
Az analitikai cookie-k lehetővé teszik, hogy mérjük weboldalunk teljesítményét és látogatóinak számát.
<Marketing cookie-k
 
A marketing cookie-kat a reklámok és a közösségi hálózatok használják a megjelenített hirdetések testreszabására, hogy azok a lehető legérdekesebbek legyenek az Ön számára.
Engedélyezem az összeset Kiválasztottak engedélyezése Elutasítom
Mentés Elutasítom